
[ad_1]
The most common cause of fire in a kitchen is gas leakage. This project will help you make an LPG leakage cum smoke detector kitchen security alarm using a gas sensor. The sensor will detect the intensity of LPG gas as well as smoke, if any. If the intensity of LPG gas or smoke exceeds a certain limit, an audible alarm will notify you to take care of the leakage as soon as possible.
LPG/smoke detectors are amazing devices as they are small and low-cost, yet very useful. MQ2 is the most common metal oxide semiconductor (MOS) type of gas sensor. It is very sensitive to smoke and flammable gases like LPG, butane, propane, methane, alcohol, hydrogen, and carbon monoxide. When a gas comes in contact with the sensor, the circuit uses a simple voltage divider network to detect it.
You can also check the gas leakage detector that we build previously.

The MQ2 sensor has two electrodes made of aluminum oxide (Al2O3) and a heating element made of tin dioxide (SnO2) that acts as the main sensing layer.
| Kitchen Security Alarm Parts List | ||
| Semiconductors: | ||
| IC1 | -LM7805, 5V voltage regulator | |
| IC2 | -LM358 op-amp | |
| IC3 | -NE555 timer | |
| T1, T2 | -2N2219 NPN transitor | |
| BR1 | -1A bridge rectifier | |
| LED1 | -5mm LED | |
| D1 | -1N4007 rectifier diode | |
| Resistors (all 1/4-watt, ±5% carbon): | ||
| R1, R2, R4, R5 | -1-kilo-ohm | |
| R3, R7 | -680-ohm | |
| R6 | -1-mega-ohm | |
| Capacitors: | ||
| C1 | -1000μF, 35V electrolytic | |
| C2 | –1000μF, 16V electrolytic | |
| C3 | -10nF ceramic disk | |
| Miscellaneous: | ||
| Exhaust fan | -230V AC operated | |
| RL1 | -5V, SPDT relay | |
| CON1-CON3 | -2-pin connector | |
| Sensor1 | -MQ2 gas sensor | |
| X1 | -230V AC primary to 9V, 500mA secondary transformer | |
Kitchen Security Alarm – Circuit Connections
The circuit diagram of the alarm using MQ2 sensor is shown in Fig. 1. The circuit is built around step-down transformer X1, bridge rectifier BR1, 5V voltage regulator LM7805 (IC1), MQ2 sensor (Sensor1), op-amp LM358 (IC2), timer NE555 (IC3), 5V SPDT relay RL1, a piezo buzzer (BZ1), and a few other components. Capacitor C1 connected across the supply terminals minimizes voltage ripples and any noise signals.
The circuit needs 5V DC to operate, which is derived from the 9V, 500mA secondary side of transformer X1. The 230V AC mains power supply is connected to the primary of X1 via connector CON1 in the circuit. The 9V AC secondary of X1 is connected to bridge rectifier BR1 for rectification. The rectified voltage filtered by capacitor C1 is given to IC LM7805 to get regulated 5V for the circuit. LED1 indicates the availability of 5V.
The output of the MQ2 sensor is given to the non-inverting pin 3 of IC LM358, which acts as a comparator in this circuit. The inverting pin 2 of LM358 is connected to pot VR1 so that the sensitivity of the circuit can be adjusted. The output of LM358 is given to the base of the buzzer driver transistor T1 via resistor R7. The buzzer is meant to raise an alarm.
Bonus: You can check the step-by-step full video tutorial of this project from the below link-
Kitchen Security Alarm – Working
The working of the circuit is simple. After connecting 230V AC across CON1, when power is switched on, LED1 glows to indicate that the circuit is ready to use. In case of smoke or gas leakage beyond the set limit, the MQ2 sensor’s output goes higher at pin 3 of IC LM358 than the reference voltage at pin 2. Thus, the output of op-amp IC LM358 at its pin 1 goes high. As a result, transistor T1 conducts and the buzzer sounds to indicate smoke or gas leakage.
Also, at the same time, IC NE555 triggers and transistor T2 conducts to energize relay RL1. If an exhaust fan is connected between the common and normally closed contacts of the relay, it will switch on and keep operating for around 18 minutes because of timer IC NE555 which has been wired in monostable multivibrator mode.
Here, the NE555 timer IC has been wired in monostable multivibrator mode. Based on the above-mentioned timing components resistor R6 and capacitor C2, the on-time output of IC3 will be around 18 minutes.
This output pulse of NE5555 stays high based on its pulse width, which sets the predefined time period. This time period can be set by selecting the values of resistor R6 and capacitor C2 using the relationship:
Output Pulse Width (secs)=1.1 ×R6×C2
In this circuit, the value of R6= 1M and the value of C2=1000µF. So, if we calculate the time in seconds, it will be around 1100 seconds, which is roughly 18 minutes.
As we are using the MQ2 sensor to compare the output voltage of LM358 with the reference voltage, to calibrate the sensor, set the reference voltage to around 0.5V using pot VR1. Then create some smoke or LPG gas leakage near the sensor. After some time, the output at pin 3 of op-amp LM358 would go higher than the reference voltage at pin 2. This will make the output at pin 1 of LM358 trigger the buzzer. If the buzzer sounds, it means the calibration is successful. If the buzzer does not sound, adjust pot VR1.
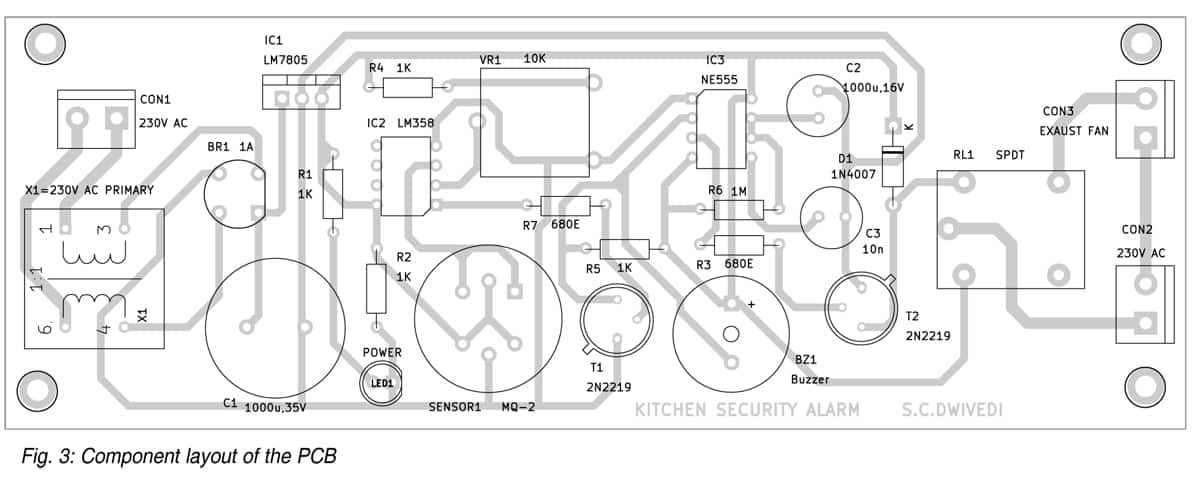
PCB Design
An actual-size, single-side PCB layout for the security alarm is shown in Fig. 2 and its component layout in Fig. 3. After assembling the circuit on PCB, enclose it in a suitable box. Fix LED1 and CON2 in front of the box and connect the exhaust fan on the rear side of the box.


After assembling the circuit, install the unit not too far from the gas stove, so that when gas leaks or there is excessive smoke in the area, it can be easily accessed by the sensor.
Download PCB and Component Layout PDFs: click here
S.C. Dwivedi is an electronics enthusiast and circuit designer at EFY
[ad_2]
Source link

